mirror of
https://github.com/Utyff/Zintercom.git
synced 2026-04-27 21:20:56 +03:00
2a03b332285d8cca6152d20764efdb15eb8a7d5d
implemented sleep mode in battery mode (end device) power attributes are always advertised, (used only in battery mode) implemented bind to another device (notify about a call to the intercom) minor changes in the code (syntactic)
Zintercom
Zigbee Intercom Automator
How to join
Reset to FN by reboot device 5 times with interval less than 10 seconds.
Reset to FN by press and hold BTN for 5 seconds.
LED will flash during reset.
How to add device into zigbe2mqtt
Use external converters feature
Converter file located here
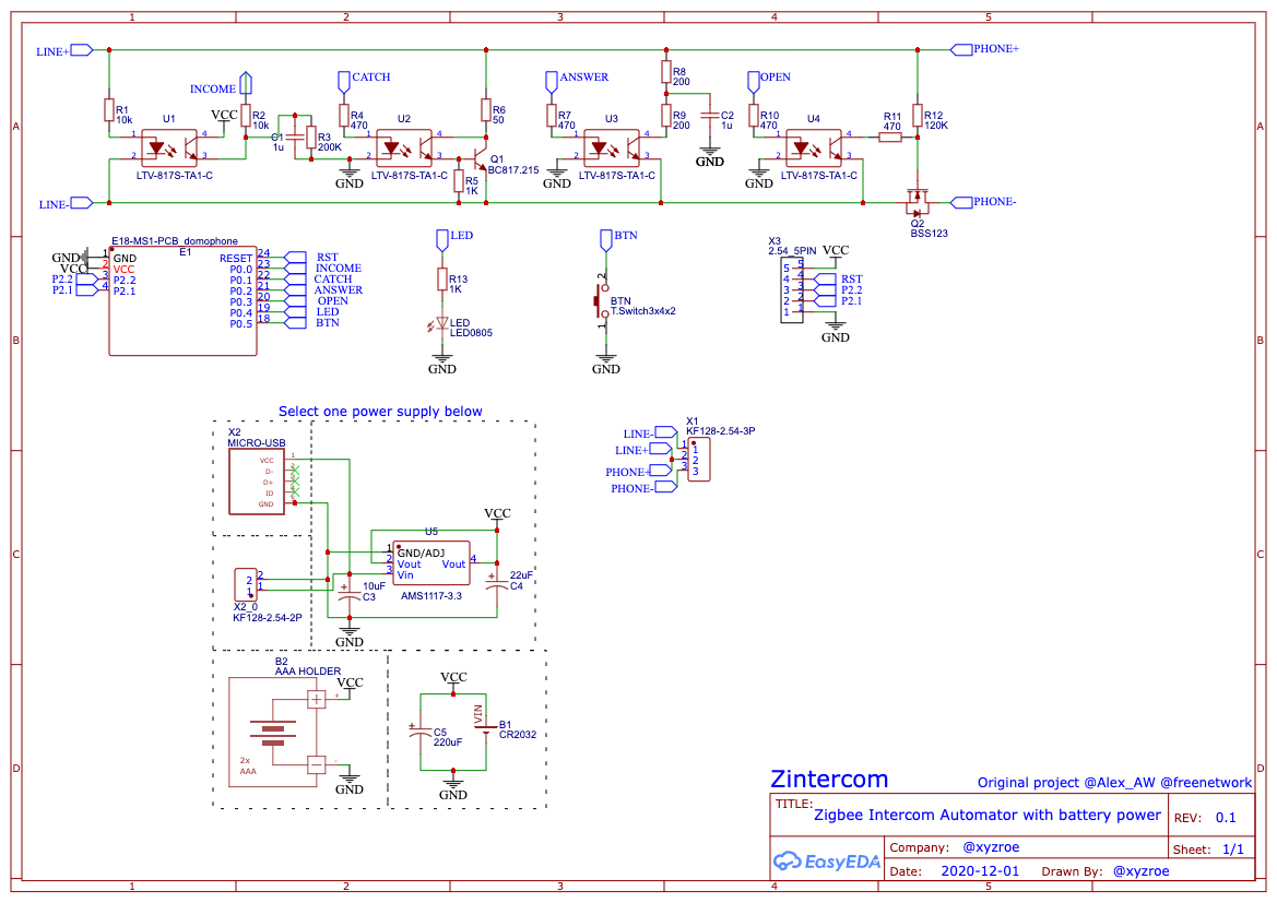
Schematic
PCB size
DC Power
Support router and end device modes.
Install E18-MS1PA1, E18-MS1PA2 or E18-MS1-PCB.

Battery Power
Languages
C
85.9%
JavaScript
12.8%
Python
1.3%


