This website requires JavaScript.
Explore
Help
Sign In
rad
/
Zintercom
Watch
1
Star
0
Fork
0
You've already forked Zintercom
mirror of
https://github.com/Utyff/Zintercom.git
synced
2026-01-12 09:17:41 +03:00
Code
Issues
Projects
Releases
Wiki
Activity
Files
e4c74561bcdc678a9960a8fa03a96f99a0914422
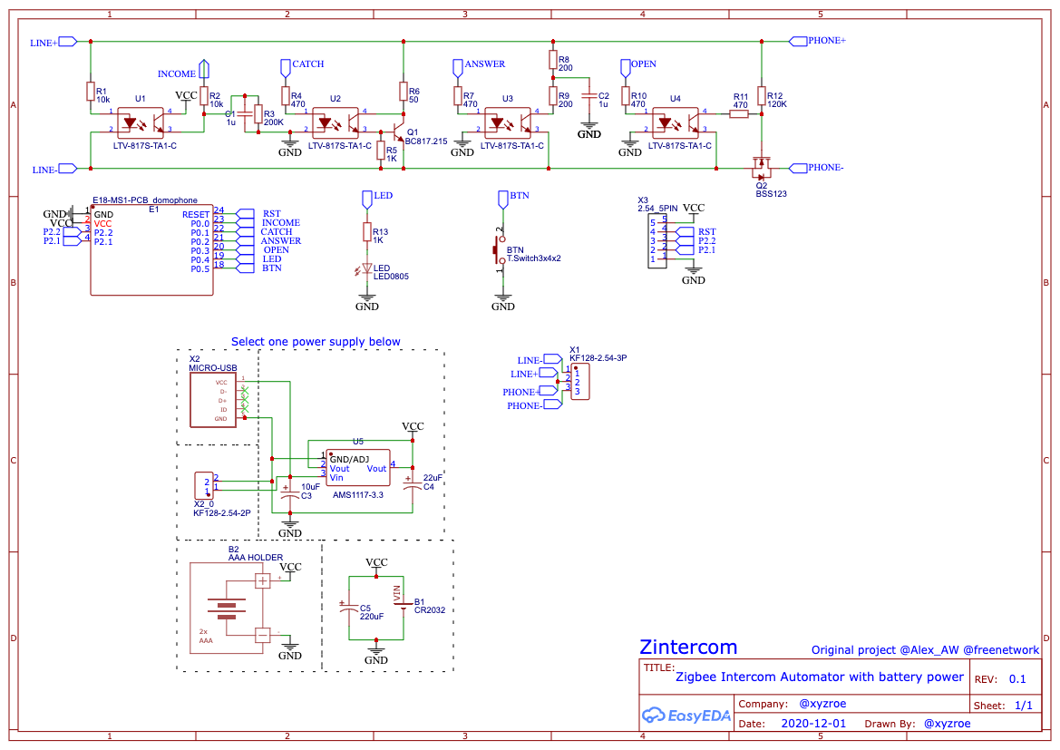
Zintercom
/
images
/
Schematic_Zintercom.png
xyzroe
e4c74561bc
added schematic
2021-01-02 04:22:41 +02:00
133 KiB
1169x827px
Raw
History