This website requires JavaScript.
Explore
Help
Sign In
rad
/
Zintercom
Watch
1
Star
0
Fork
0
You've already forked Zintercom
mirror of
https://github.com/Utyff/Zintercom.git
synced
2026-01-12 09:17:41 +03:00
Code
Issues
Projects
Releases
Wiki
Activity
Files
f25a97b9a72d31a590f82f4a16b1b68412f036e3
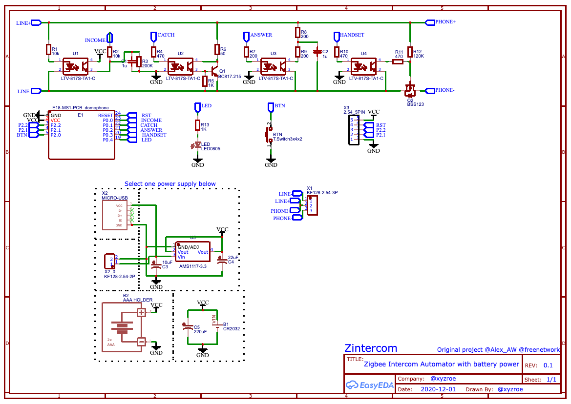
Zintercom
/
hardware
/
Schematic_Zintercom.png
lost
f25a97b9a7
R7 changed to 200 ohm
2021-02-23 00:44:56 +02:00
126 KiB
1169x828px
Raw
History