This website requires JavaScript.
Explore
Help
Sign In
rad
/
Zintercom
Watch
1
Star
0
Fork
0
You've already forked Zintercom
mirror of
https://github.com/Utyff/Zintercom.git
synced
2026-01-12 09:17:41 +03:00
Code
Issues
Projects
Releases
Wiki
Activity
Files
1.0.0
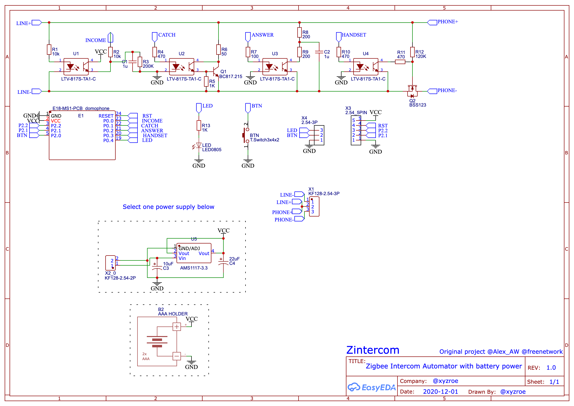
Zintercom
/
hardware
/
Schematic_Zintercom.png
lost
23626a37d1
hardware PCB v1.0
2021-04-14 14:03:33 +03:00
313 KiB
2338x1654px
Raw
Permalink
History