mirror of
https://github.com/Utyff/Zintercom.git
synced 2026-03-05 19:35:28 +03:00
02fac9e93da6c63f90b7c20a1a0ca1e705956d3a
reworked the sequence and conditions of optocouplers triggering; clarified the name of the configurations;
Zintercom
Zigbee Intercom Automator
How to join
Reset to FN by reboot device 5 times with interval less than 10 seconds.
Reset to FN by press and hold BTN for 5 seconds.
LED will flash during reset.
How to add device into zigbe2mqtt
Use external converters feature
Converter file located here
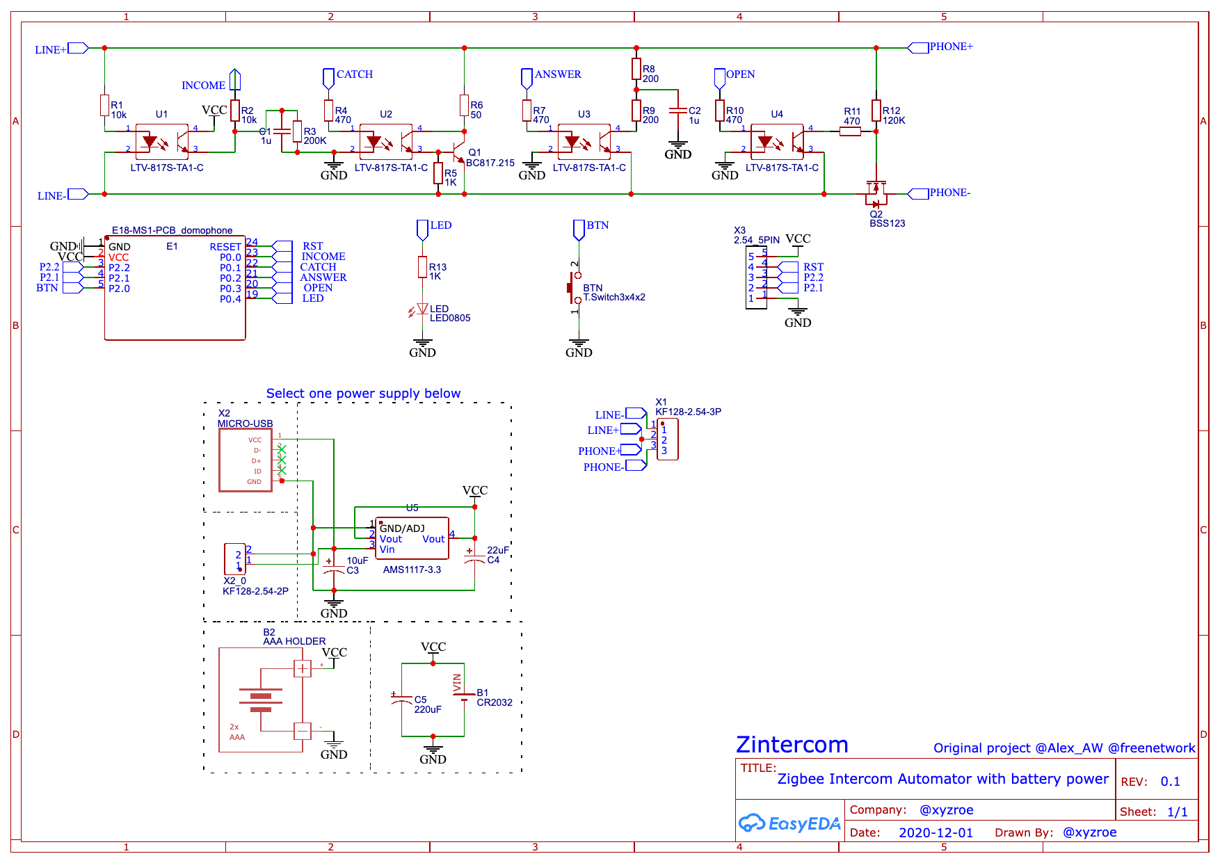
Schematic
PCB size
DC Power
Support router and end device modes.
Install E18-MS1PA1, E18-MS1PA2 or E18-MS1-PCB.

Battery Power
Languages
C
85.9%
JavaScript
12.8%
Python
1.3%


