mirror of
https://github.com/Utyff/Zintercom.git
synced 2026-03-05 19:35:28 +03:00
425b8fa5788c4f82569240c581fc14664ab7fc9d
Zintercom
Zigbee Intercom Automator
How to join
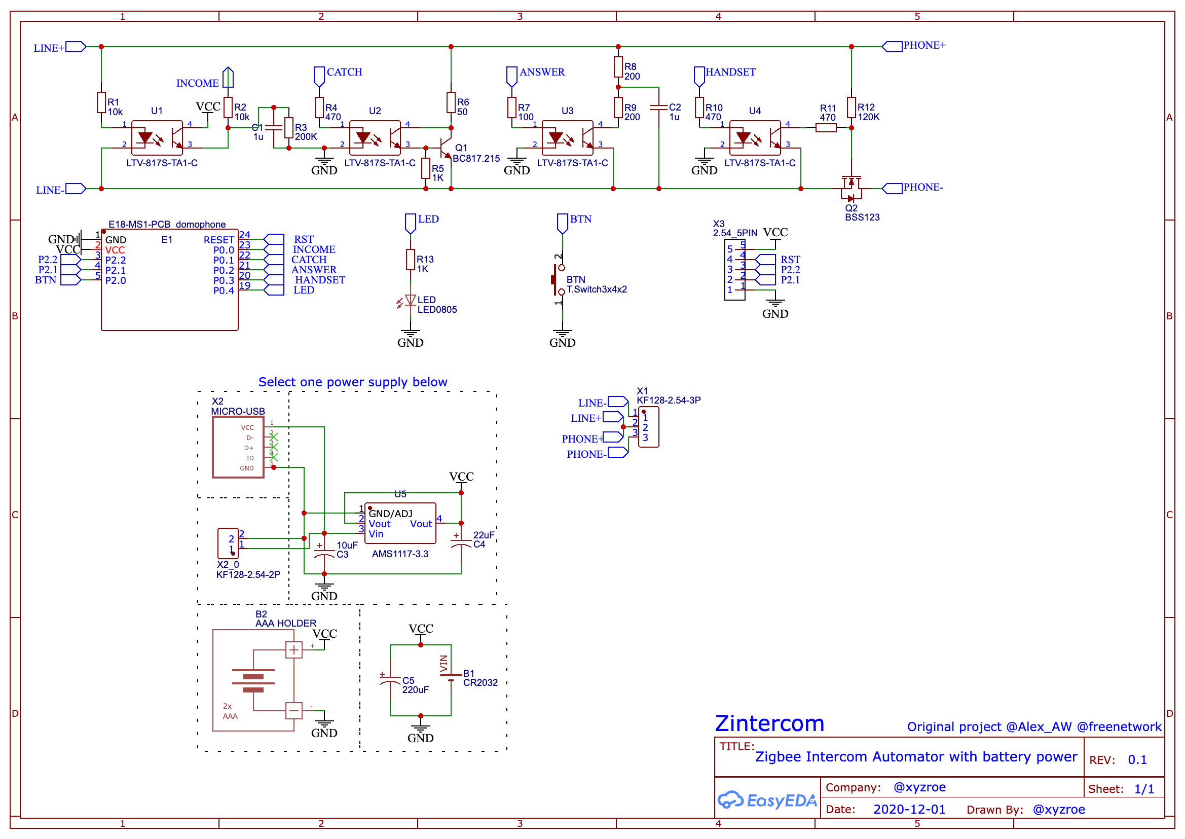
Reset to FN by reboot device 5 times with interval less than 10 seconds.
Reset to FN by press and hold BTN for 5 seconds.
LED will flash during reset.
How to add device into zigbe2mqtt
Use external converters feature
Converter file located here
Schematic
PCB size
DC Power
Support router and end device modes.
Install E18-MS1PA1, E18-MS1PA2 or E18-MS1-PCB.

Battery Power
Languages
C
85.9%
JavaScript
12.8%
Python
1.3%


