1
0
mirror of https://github.com/Utyff/Zintercom.git synced 2026-01-12 09:17:41 +03:00
Files
Zintercom/README.md
lost 9006169c6a fixed drop while ring
added z2m dashboard screens
2021-03-23 20:57:03 +02:00

1.1 KiB

Zintercom

Zigbee Intercom Automator

How to join

Reset to FN by reboot device 5 times with interval less than 10 seconds.
Reset to FN by press and hold BTN for 5 seconds.

LED will flash during reset.

How to add device into zigbe2mqtt

Use external converters feature

Converter file located here

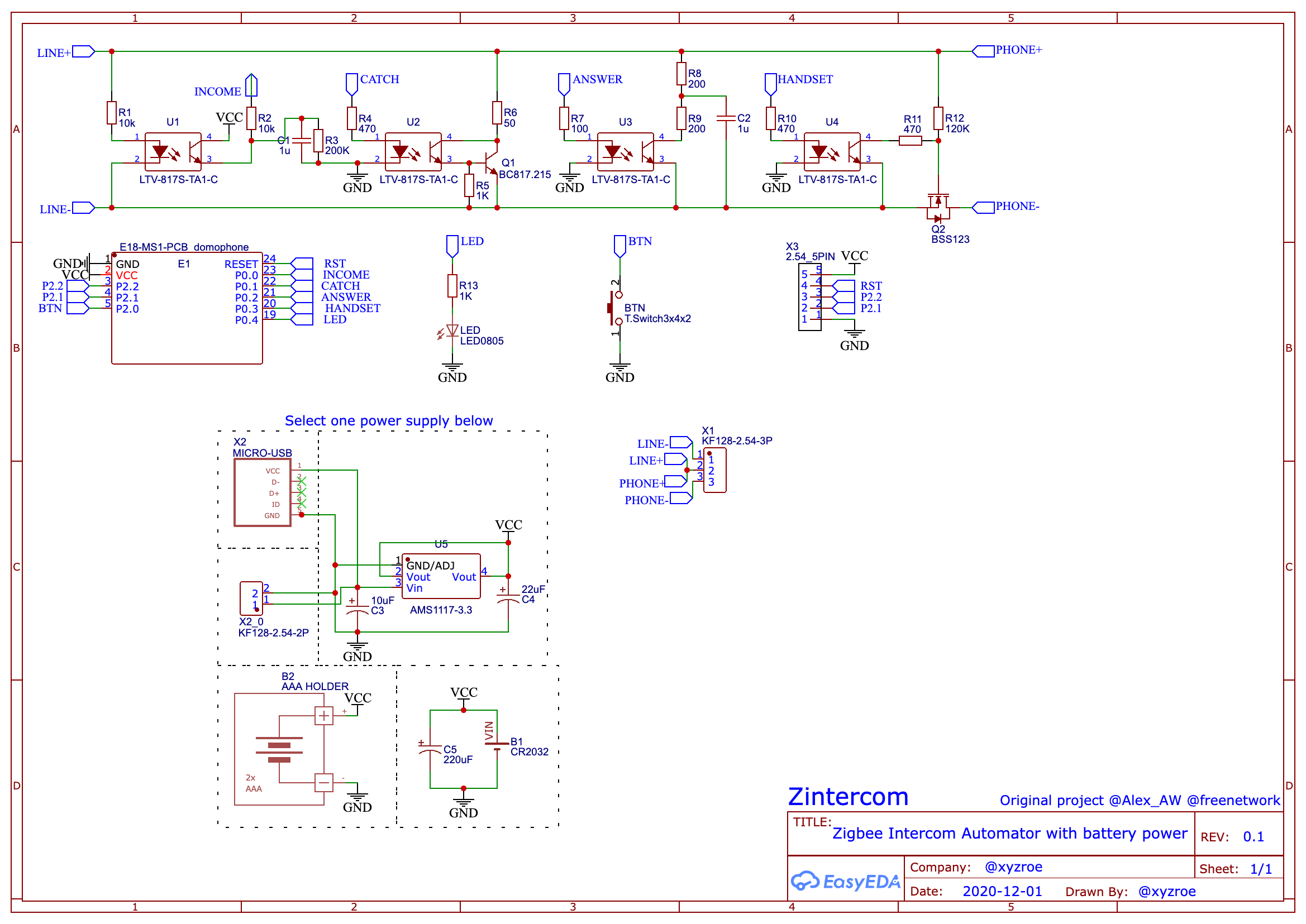
Schematic

PCB size

57.5mm x 27.3mm

DC Power

Support router and end device modes.
Install E18-MS1PA1, E18-MS1PA2 or E18-MS1-PCB.

Battery Power

Support only end device mode.
Install E18-MS1-PCB only!