This website requires JavaScript.
Explore
Help
Sign In
rad
/
Zintercom
Watch
1
Star
0
Fork
0
You've already forked Zintercom
mirror of
https://github.com/Utyff/Zintercom.git
synced
2026-01-12 09:17:41 +03:00
Code
Issues
Projects
Releases
Wiki
Activity
Files
9b20fb987c8b38a274853db540afbf373ad4be36
Zintercom
/
hardware
/
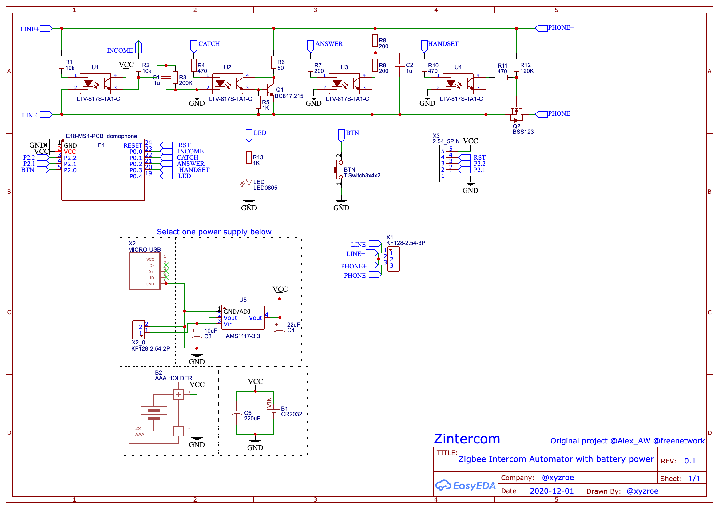
Schematic_Zintercom.png
lost
9b20fb987c
Schematic_Zintercom.png fixed
2021-02-23 00:46:21 +02:00
340 KiB
2338x1655px
Raw
History