1
0
mirror of https://github.com/Utyff/Zintercom.git synced 2026-03-05 19:35:28 +03:00
2022-07-05 01:31:01 +03:00
2020-12-27 14:40:06 +02:00
2022-02-07 12:25:02 +03:00
2022-02-16 23:37:42 +02:00
2020-12-27 14:57:43 +02:00
2022-04-27 01:20:56 +03:00
2022-04-27 01:20:56 +03:00
2020-12-27 14:49:44 +02:00
2020-12-27 14:40:06 +02:00
2020-12-27 14:49:44 +02:00
2020-12-27 14:49:44 +02:00
2020-12-27 14:40:06 +02:00
2020-12-27 14:40:06 +02:00
2022-04-27 01:20:56 +03:00
2022-07-05 01:31:01 +03:00
2020-12-27 14:40:06 +02:00

Zintercom

How to compile

Follow this article https://zigdevwiki.github.io/Begin/IAR_install/

Zigbee Intercom Automator

This device is designed to control the matrix intercom using Zigbee.

Using zigbee2mqtt you can:

  1. Receive a notification when the intercom rings. (also support direct bind)
  2. Mute the sound on the intercom handset.
  3. Automatically or manually open the door or hang up when the intercom rings.

There are 4 work modes:

  1. Never - ordinary work mode, use a handset to control
  2. Once - one-time open door when intercom rings
  3. Always - open door when intercom rings
  4. Drop - hangs up all intercom rings, right after the start

You can change the operating mode using z2m or by short press the button. (< 1000ms)
After pressing the button, the LED will flash at 4 Hz. The number of flashes indicates the current operating mode.

You can control sound mode using z2m or by long-press the button. (1000ms < X < 5000ms)
After pressing the button, the LED will flash at 1.5 Hz.
One flash - OFF, two flashes - ON.

Hardware v2.0

New version of the board with RGB led support.
All known bugs and shortcomings have been fixed.
Thanks @Utyff

More info

Important info

1

In Gerber PCB v1.0 committed on Apr 14, there are some errors in the silkscreen layers:

  1. 'Line-' and 'Phone-' are reversed.
  2. '+' and '-' are also reversed.

Just plug by swapping.

2

The problem of cross-calls to other apartments:
it was revealed that the intercom circuit is closed through the reverse diode of the u2 transistor (thanks to @Alex_AW)
to prevent it, you need to add a diode according to the diagram:

3

If you want to use the battery version without a handset, do not turn off the sound in z2m, but use an external resistor to emulate the intercom handset, according to the diagram:

How to join

Reset to FN by reboot the device 5 times with intervals of less than 10 seconds.
Reset to FN by pressing and holding BTN for 5 seconds.

LED will flash during reset.

How to add device into zigbe2mqtt

Use external converters feature

Converter file located here

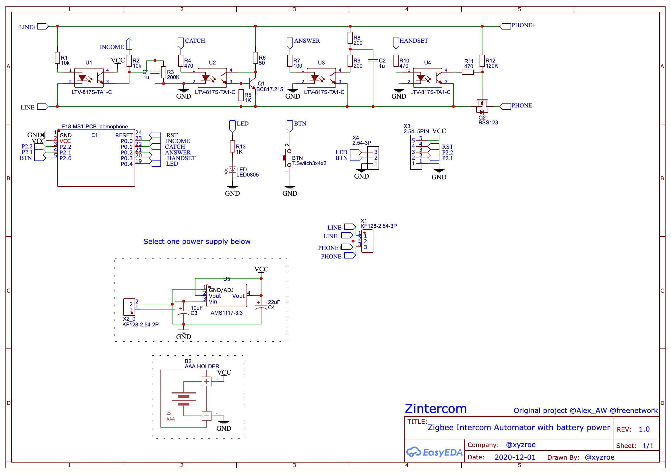
Schematic

PCB size

57.5mm x 27.3mm

DC Power

5-10 V

Support router and end device modes.
Install E18-MS1PA1, E18-MS1PA2 or E18-MS1-PCB.

Battery Power

2 * AAA batteries

Support only end device mode.
Install E18-MS1-PCB only!

Do not turn off sound because it turns U2 forever, which will drain the battery much faster.

Since the device is in sleep mode, it cannot receive commands.
But you can set the button mode or at the time of the call.

If any commands are in the coordinator's queue, they will be executed after a button is pressed or a call is received.

The mode set by the Zigbee command overwrites the mode set by the button.

Binding

The device supports the direct binding of an incoming call to the onOff cluster.

For example, you can turn on the light while a call comes to the intercom, for notification in mute mode.

Files to reproduce

Like ♥️?

"Buy Me A Coffee"

Inspired by

The original scheme of the intercom opener by Alexander Vaidurov
Various hardware solutions by Jager
Firmware for different Zigbee devices by Anonymous

Description
work in progress. not working product yet.
Readme GPL-3.0 7.7 MiB
Languages
C 85.9%
JavaScript 12.8%
Python 1.3%